带 阀 接 头
● 单向阀接头
  JB/ZQ4573-86
  逆向接头                            正向接头
代号(订货号)
d(Rc)(R)
L
L1
S
方 向
重量(kg)
对应号
ZY434.1.00
1/4
54
13
22
0.181
 
ZY434.2.00
 
ZY434.3.00
3/8
56
0.187
 
ZY434.4.00
 
ZY434.5.00
1/8
50
10
17
0.07
 
ZY434.6.00
 
  标记示例:连接螺纹为Rc1/4的逆向单向阀接头 单向阀接头Rc1/4-N ZY434.2.00
       连接螺纹为Rc1/4的正向单向阀接头 单向阀接头Rc1/4-E ZY434.1.00
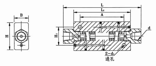
● 双向逆止阀接头
开启压力:0.44MPa;使用介质:润滑脂NLG0~2#。
代号(订货号)
d
L
B
H
A
L1
H1
S
D
d1
重量(kg)
对应号
ZY439.2.00
Rc3/8
154
28
47
80
110
30
24
27.6
9
1.1
YF12.2
ZY439.3.00
Rc3/4
210
40
76
120
154
50
34
39
11
1.74
YF12.3
  标记示例:双向逆止阀接头Rc3/8 ZY439.2.00