钢管用螺纹连接接头
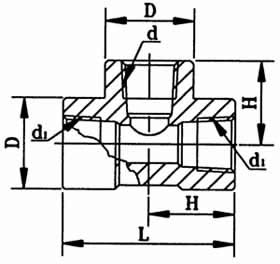
● 三通
代号(订货号)
公称通径(DN)
D(Rc)
D
L
H
重量(kg)
对应号
ZT6.5.2-1
8
1/4
23
46
23
0.18
H1.1-1
ZT6.5.2-2
10
3/8
25
50
25
0.25
H1.1-2
ZT6.5.2-3
15
1/2
33
58
29
0.36
H1.1-3
ZT6.5.2-4
20
3/4
38
66
33
0.47
H1.1-4
ZT6.5.2-5
25
1
48
78
39
0.61
H1.1-5
标记示例:三通8 ZT6.5.2-1
● 异径三通
代号(订货号)
公称通径
(DN×DN1×DN1)
d
d1
d2
D
L
H

重量

(kg)

对应号
{Rc}
ZT6.5.3-1
10×15×15
3/8
1/2
33
58
29
0.32
H1.2-1
ZT6.5.3-2
10×20×20
3/8
3/4
38
66
33
0.45
H1.2-2
ZT6.5.3-3
10×10×15
3/8
1/2
33
58
29
0.32
ZT6.5.3-4
15×10×10
1/2
3/8
ZT6.5.3-5
10×10×20
3/8
3/4
38
66
33
0.48
ZT6.5.3-6
20×10×10
3/4
3/8
ZT6.5.3-7
15×20×20
1/2
3/4
0.42
ZT6.5.3-8
15×15×20
1/2
3/4
ZT6.5.3-9
20×15×15
3/4
1/2
0.40
标记示例:异径三径 10×15×15 ZT6.5.3-1
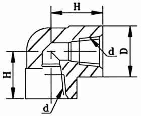
● 弯头
代号(订货号)
公称通径(DN)
D(Rc)
D
H
重量(kg)
对应号
ZT6.5.4-1
8
1/4
23
0.07
H1.3-1
ZT6.5.4-2
10
3/8
25
0.11
H1.3-2
ZT6.5.4-3
15
1/2
33
29
0.26
H1.3-3
ZT6.5.4-4
20
3/4
38
33
0.39
H1.3-4
ZT6.5.4-5
25
1
48
39
0.56
H1.3-5
  标记示例:弯头8 ZT6.5.4-1
● 外接头
代号(订货号)
公称通径(DN)
d(Rc)
L
L1
S
D
重量(kg)
对应号
ZT6.5.5-1
8
1/4
25
11
22
25.4
0.06
H1.4-1
ZT6.5.5-2
10
3/8
30
12
27
31.2
0.1
H1.4-2
ZT6.5.5-3
15
1/2
35
15
32
37
0.16
H1.4-3
ZT6.5.5-4
20
3/4
40
17
36
41.6
0.19
H1.4-4
ZT6.5.5-5
25
1
48
20
46
53.1
0.27
H1.4-5
  标记示例:外接头8 ZT6.5.5-1