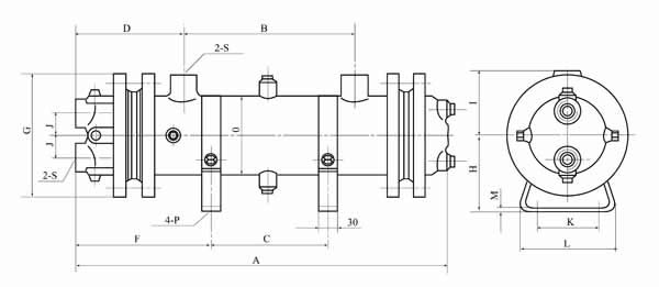
旧 型 号 |
新 形 号 |
换热面积m2 |
L |
T |
A |
重量(kg) |
4LQF3W-A315F |
4LQF3W-A1.3F |
1.3 |
490 |
205 |
≤105 |
49 |
4LQF3W-A400F |
4LQF3W-A1.7F |
1.7 |
575 |
290 |
≤190 |
53 |
4LQF3W-A500F |
4LQF3W-A2.1F |
2.1 |
675 |
390 |
≤290 |
59 |
4LQF3W-A630F |
4LQF3W-A2.6F |
2.6 |
805 |
520 |
≤420 |
66 |
4LQF3W-A800F |
4LQF3W-A3.4F |
3.4 |
975 |
690 |
≤590 |
75 |
4LQF3W-A1000F |
4LQF3W-A4.2F |
4.2 |
1175 |
890 |
≤790 |
86 |
4LQF3W-A1250F |
4LQF3W-A5.3F |
5.3 |
1425 |
1140 |
≤1040 |
99 |
|