GPF-8型干油喷射控制阀(0.6MPa)

一、使用条件
干油喷射控制阀适用于空气压力为0.45~0.6MPa 的干油喷射润滑系统中,用于控制油路和气路的干油喷射嘴。
该阀与干油喷射嘴配合使用,组成干油喷射润滑装置时,该阀与手动润滑泵连接长度不得大于1 米。




二、技术参数
型号
空气压力Mpa
进气口公称直径DN
重量kg
GPF-8
0.45-0.6
8
1.1

使用介质为锥入度不低于300(25℃,150g)1/10mm 的润滑脂。
 
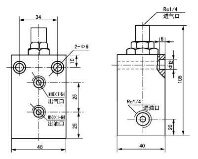
三、外形尺寸
 

四、使用说明
1、使用的润滑脂必须经过过滤,质地均匀,并在规定的锥入度范围内。
2、进气管路中必须设置气动三大件,保证空气的洁净、干燥、衡压。
3、输剂管内不许进入空气,以免影响喷雾。

 
.