一、使用条件
VSKH-KR型双线分配器上下面均有出油口,分配器活塞正反向动作时分别从上面和下面的出油口排出润滑脂。还可以从指示杆的动作直接观察分配器的工作情况,同时还可通过调整螺钉在规定范围内,调整出油口的给油量。
分配器适用于公称压力为40MPa的双线式干油集中润滑系统中。它在两条供油主管交替的供油压力作用下,直接由供油压力控制活塞动作给油,完成向润滑点定量分配润滑脂的功能。
|
|
|
| 二、技术参数 |
|
型号 |
公称压力MPa |
动作压力Mpa |
额定给油量ml/循环 |
调整螺钉每转一圈调整量ml |
VSKH※-KR |
40 |
≤1.5 |
0-1.5 |
0.05 |
|
| 使用介质为锥入度不低于265(25℃,150g)1/10mm 的润滑脂(NLGI0#~2#)或粘度等级大于N68 的润滑油;使用环境温度为-10~80℃;使用介质为润滑油时,请在20MPa 压力下使用。 |
| |
| 三、型号说明 |
 |
| |
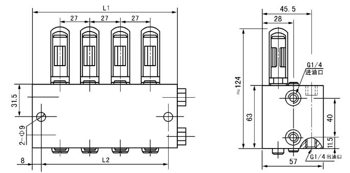
| 四、外形尺寸 |
 |
型号 |
VSKH2-KR |
VSKH4-KR |
VSKH6-KR |
VSKH8-KR |
L1 |
52 |
80 |
108 |
136 |
L2 |
36 |
64 |
92 |
120 |
|
| |
| 五、使用说明 |
| 分配器安装使用环境温度在-10~80℃以外的必须在订货合同中注明,以便供货时提供耐低、高温油封。 |
| |